痛风快讯
|
Feng购
|
设为首页
|
加入收藏
|
与我交流
|
云上文章
首页
专业知识
饮食保健
传统治疗
现代治疗
中西结合
名医经验
痛风护理
痛风淘宝
医学参考
当前位置:
首页
>
痛风淘宝
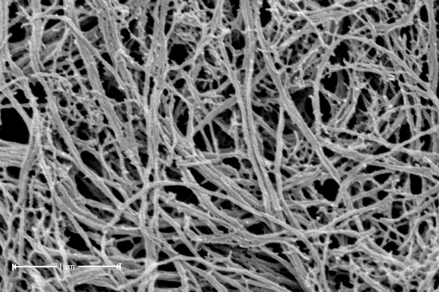
纤维素纳米纤维CNF 微纤化纳米纤维素MFC 机械法 3%固含
时间:2025-10-23 来源:
E痛风网
作者:
easyfami
导言
纤维素纳米纤维CNF 微纤化纳米纤维素MFC 机械法 3%固含
相关信息:
设为首页
|
加入收藏
|
关于本站
|
免责申明
|
联系站长
|
友情链接
Copyright© 2007-2020 www.etongfeng.cn .All Rights Reserved
鄂ICP备07003768号